名称: | 双作用/单作用多规格气动执行器球阀蝶阀配用 |
型号: | RAT075DA |
类别: | 气动执行器 |
品牌: | 腾博官网诚信为本专业服务电子 |
产地: | 宁波奉化 |
价格: | 面议 |
产品简介
RAT双作用气动执行器在综合运用国内外新技术、新材料、新工艺和创新观念的基础上进行研制、开发、设计而成,挤压的高强度铝制缸体,内表面经细磨及硬质阳极氧化处理,使用寿命长,摩擦系数低、动作迅速。
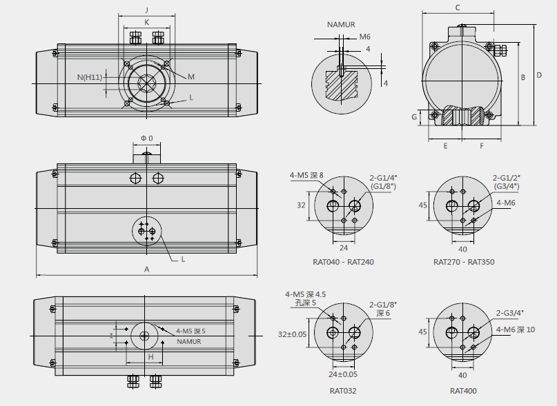
结构尺寸
技术参数
RAT190SA | 5 | 429 | 320.4 | 644.5 | 535.9 | 217.4 | 326 | ||||||
6 | 385.5 | 255.5 | 601 | 470.7 | 260.9 | 391.2 | |||||||
7 | 342 | 190 | 557.5 | 405.5 | 304.4 | 456.4 | |||||||
8 | 514 | 340.3 | 729.5 | 555.8 | 347.9 | 521.6 | |||||||
9 | 470.6 | 275.1 | 686.1 | 490.6 | 391.3 | 586.8 | |||||||
10 | 427.1 | 209.9 | 642.6 | 425.4 | 858.1 | 640.9 | 1073.6 | 856.4 | 434.8 | 652 | |||
11 | 599.1 | 360.2 | 814.6 | 575.7 | 1030.1 | 791.2 | 478.3 | 717.2 | |||||
12 | 555.6 | 295 | 771.1 | 510.5 | 986.6 | 726 | 521.8 | 782.4 | |||||
RAT210SA | 5 | 589.6 | 440.6 | 885.7 | 736.7 | 298.8 | 447.8 | ||||||
6 | 529.8 | 351.1 | 825.9 | 647.2 | 358.6 | 537.3 | |||||||
7 | 470.1 | 261.5 | 766.2 | 557.6 | 418.3 | 626.9 | |||||||
8 | 706.4 | 468.1 | 1002.5 | 764.2 | 478.1 | 716.4 | |||||||
9 | 646.7 | 375.5 | 942.8 | 671.6 | 537.8 | 809 | |||||||
10 | 586.9 | 289 | 883 | 585.1 | 1179.1 | 881.2 | 1475.2 | 1177.3 | 597.6 | 895.5 | |||
11 | 823.2 | 495.5 | 1119.3 | 791.6 | 1415.4 | 1087.7 | 657.4 | 958.1 | |||||
12 | 763.5 | 406 | 1059.6 | 702.1 | 1355.7 | 998.2 | 717 | 1074.6 | |||||
RAT240SA | 5 | 924 | 690.5 | 1488.1 | 1154.6 | 468.5 | 702 | ||||||
6 | 829.9 | 550.1 | 1294 | 1014.2 | 562.6 | 842.4 | |||||||
7 | 736.7 | 409.7 | 1200.8 | 873.8 | 655.8 | 982.8 | |||||||
8 | 1107.1 | 733.4 | 1571.3 | 1197.6 | 749.5 | 1123.2 | |||||||
9 | 1013.4 | 593 | 1477.6 | 1057.2 | 843.2 | 1263.6 | |||||||
10 | 919.7 | 452.6 | 1383.9 | 916.8 | 1848.1 | 1381 | 2312.2 | 1845.1 | 936.9 | 1404 | |||
11 | 1290.2 | 776.4 | 1754.4 | 1240.6 | 2218.5 | 1704.7 | 1030.6 | 1544.4 | |||||
12 | 1196.5 | 636 | 1660.7 | 1100.2 | 2124.8 | 1564.3 | 1124.3 | 1684.8 | |||||
RAT270SA | 5 | 1299.7 | 971.2 | 1952.4 | 1623.9 | 658.5 | 987 | ||||||
6 | 1168 | 773.8 | 1820.7 | 1426.5 | 790.2 | 1184.4 | |||||||
7 | 1036.3 | 576.4 | 1689 | 1229.1 | 921.9 | 1381.8 | |||||||
8 | 1557.3 | 1031.7 | 2210 | 1684.4 | 1053.6 | 1579.2 | |||||||
9 | 1425.6 | 834.3 | 2078.3 | 1487 | 1185.3 | 1776.6 | |||||||
10 | 1293.9 | 636.9 | 1946.6 | 1289.6 | 2599.3 | 1942.3 | 3252 | 2595 | 1317 | 1974 | |||
11 | 1814.9 | 1092.2 | 2467.6 | 1744.9 | 3120.3 | 2397.6 | 1448.7 | 2171.4 | |||||
12 | 1683.2 | 894.8 | 2335.9 | 1547.5 | 2988.6 | 2200.2 | 1580.4 | 2368.8 |
厂房设备
自动化设备与检测设备
生产车间
行业应用
荣誉证书
主要客户
销售网络
公司简介
客户服务
联系我们
地址:浙江省宁波市奉化区江口街道方桥工业园区恒丰路2号
传真:0574-88846999
电话:0574-88846983 0574-89017255 0574-88848607
邮箱:webmaster@xyelectron.com